综合搜索 /
搜索型号
×
山东乐乐机械工程机械股份有限公司
热线电话:0537-2160198
|
山东乐乐机械淘宝
|
山东乐乐机械家商城
|
山东乐乐招商
|
山东乐乐机械邮箱
|
Global
首页
公司简介
发展历史
乐乐工作室
产品中心
滚珠丝杠
直线导轨
梯形丝杠
圆弧导轨
轧制丝杠
电主轴
机械主轴
车床主轴|配件
合作加盟
新闻中心
公司动态
行业新闻
成功案例
知识百科
联系我们
📞
0537-2160198
联强机械
首页
产品中心
选型定制
应用场景
关于我们
联系我们
全站搜索
搜索关键词:
丝杠
主轴
导轨
机械主轴
直线导轨
搜索
全部
79
滚珠丝杠
11
直线导轨
10
梯形丝杠
6
圆弧导轨
5
轧制丝杠
11
电主轴
10
机械主轴
6
车床主轴配件
17
导航列表
公司简介
产品中心
合作加盟
新闻中心
联系我们
联系我们
更多+
山东乐乐机械有限公司
电话:0537-2160198
手机:188-5471-9895 李先生
地址:山东省济宁市高新区海川路69号
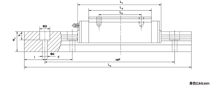
LG-ZL滚珠直线导轨副
时间:{content:datestyle=Y-m-d}
浏览次数:{content:views}
标签:
上一篇:没有了!
下一篇:微型滚动直线导轨副系列(标准型)
推荐产品
LZG-ZL滚柱直线导轨副
微型滚动直线导轨副系列(宽型)
LZG-KL滚柱直线导轨副
高速精密滚珠丝杠副
滚珠丝杠副
梯形丝杠
直线导轨选型
研磨滚珠丝杠